Home
Products
Back
Linear guideways
Back
Selection via block
Back
Series HG
Back
HGH
HGL
HGW
Series EG
Back
EGH
EGW
Series MGN/MGW
Back
MGN
MGW
Selection via profile rail
Back
HGR
EGR
MGNR/MGWR
Back
MGNR
MGWR
Linear guideway accessories
Back
Series HG
Ballscrews
Back
Ballscrew Nut
Back
SFU
DFU
SFI
DFI
SCM
SFS
SFE
SFK
FSI
RSI
FDI
RDI
Rolled Shaft
Back
SFU
DFU
SFI
DFI
SCM
SFS
SFE
SFK
FSI
RSI
FDI
RDI
Ballscrew accessories
Back
Bearing
Back
Series BK
Series BF
Series FK
Series FF
Series EK
Series EF
Ballscrew support
Bearing
Back
Series BK
Series BF
Series FK
Series FF
Series EK
Series EF
Gearbox
Back
Planetary Gearbox
Back
Series LB
Series LE
Series SE
Worm Gearbox
Back
Series WEO
Series MEO
Energy Chains
Back
Energy Chains accessories
Series FK
Coupling
Back
Series SRJ
Series D
Series HC
Series Servo
Linear Ball Bearing
Back
Linear Ball Bearing
Back
Series SBR
Series TBR
Shaft Ball Bearing
Back
Series LME
Series LMF
Series LMK
Series LMH
Series LM
Series SC
Shaft Support
Back
Series SK
Series SHF
Stepper motor
Back
Open Loop Stepper Motor
Back
2 PHASE
3 PHASE
Close Loop Stepper Motor
Stepper drive
Spindle Motor
Back
Air Cooled Spindle
Back
Manual
Toolchange
Water Cooled Spindle
Back
Manual
Toolchange
Rack and Pinion
Back
Rack Gear
Back
Helical Rack
Straight Rack
Pinion Gear
Back
Round Roller
V-series
Shaft
Back
Series SF
Series SBS
Back
Series TBR
Series SBR
Blog
About us
Contact us
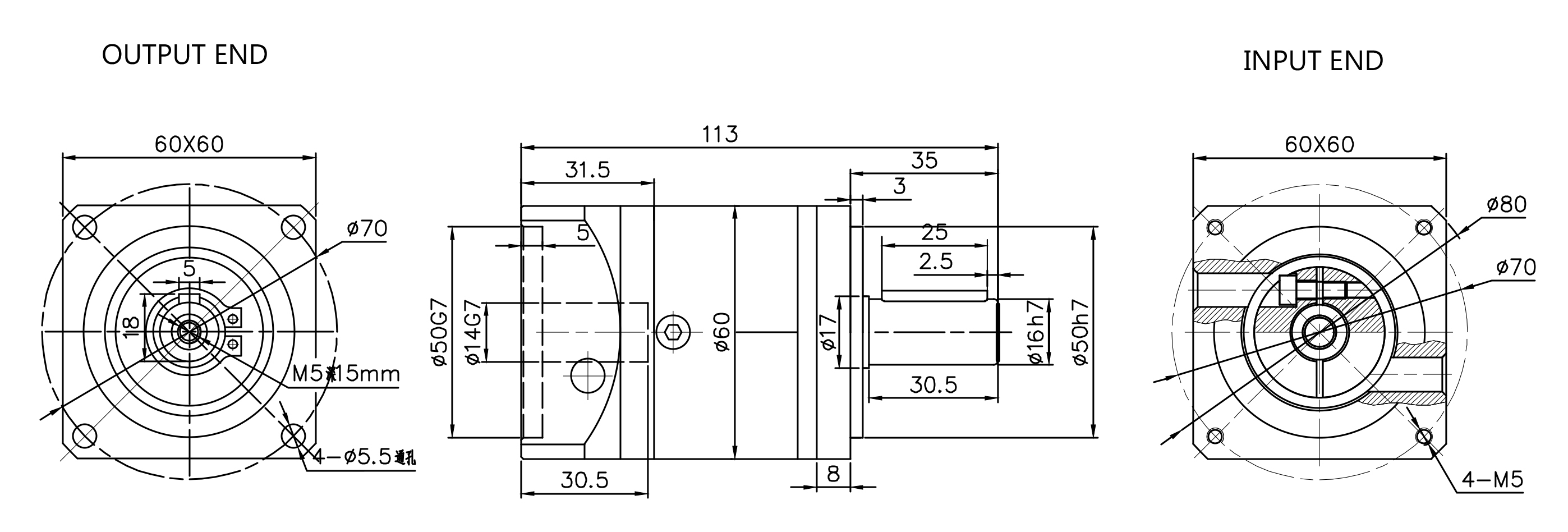
LB70-05-14
Brand: hqm
Model: LB70-05-14
Size: 70
Ratio: 1 to 5
Input shaft: 14
Output shaft: 16
Flange: Square
Buy Online
Send a Message
The add to cart button will appear once you select the values above
Technical Details
Details
Accessories
Downloads
Videos
Ratio
1 to 5
Input Shaft
14
Output Shaft
16
Flange
Square Flange